图5-102 柱子弹线
图片5-13柱混凝土的表面蜂窝
照片6-1三峡施工期(二期工程)
照片6-2三峡施工期(三期工程)
图片6-3隧洞导流
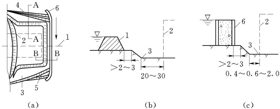
图6-9 围堰布置与基坑范围
照片6-4三峡工程大江截流1
照片6-5三峡工程大江截流2
照片6-6溪洛渡电站大江截流1
照片6-7溪洛渡电站大江截流2
照片6-8向家坝截流
照片6-9护底
上一页
1
2
3
4
5
6
下一页
第
/18页
跳转